

JQ/JQW夹壳式联轴器基本参数和主要尺寸(HG3-213-65)
|
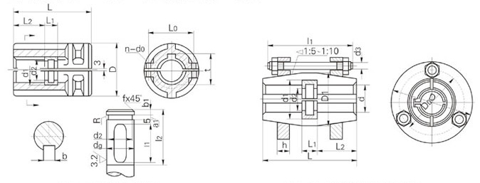
注:JQW型为夹壳式联轴器是JQ型夹壳式联轴器取消息悬吊环,避免轴向重复定位的结构,可在单支点机架中使用。
JJQ型紧箍夹壳联轴器主要尺寸:mm
|
轴径d
|
25,30
|
35,40
|
45,50,55
|
65,70
|
80,85
|
90,95,100,105
|
110,115,1200
|
125,130,140
|
150,160
|
180,200
|
|
Mmax
|
180
|
560
|
900
|
1400
|
3150
|
5600
|
12500
|
18000
|
28000
|
35000
|
|
D
|
90
|
105
|
120
|
160
|
180
|
210
|
240
|
280
|
310
|
390
|
|
D0
|
70
|
85
|
100
|
135
|
155
|
180
|
210
|
240
|
270
|
340
|
|
D1
|
55
|
70
|
85
|
115
|
135
|
160
|
185
|
210
|
240
|
300
|
|
h
|
16
|
20
|
24
|
30
|
36
|
40
|
45
|
50
|
55
|
60
|
|
L
|
130
|
162
|
190
|
250
|
280
|
330
|
390
|
440
|
500
|
640
|
|
L1
|
120
|
150
|
170
|
220
|
250
|
290
|
350
|
400
|
460
|
600
|
|
d3
|
M10
|
M10
|
M10
|
M12
|
M12
|
M16
|
M16
|
M20
|
M20
|
M24
|
|
重量(kg)
|
3.2
|
6.3
|
8.9
|
21
|
31
|
63
|
79
|
113
|
193
|
430
|